Product Summary
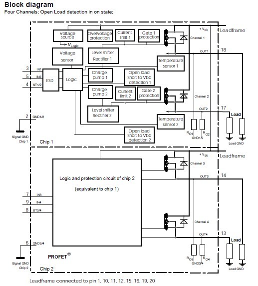
The BTS710L1 is a smart four channel highside power switch. It is a N channel vertical power FET with charge pump, ground referenced CMOS compatible input and diagnostic feedback, monolithically integrated in Smart SIPMOS technology. Fully protected by embedded protection functions.
Parametrics
BTS710L1 absolute maximum ratings: (1)Supply voltage, Vbb: 43V; (2)Supply voltage for full short circuit protection, Tj,start =-40 to+150℃, Vbb: 24V; (3)Load current, IL: self-limited A; (4)Load dump protection, VLoadDump: 60V; (5)Operating temperature range, Tj: -40 to +150℃; (6)Storage temperature range, Tstg: -55 to +150℃; (7)Power dissipation (DC), Ta = 25℃, Ptot: 1.9W; (8)Electrostatic discharge capability (ESD), (Human Body Model), VESD: 1.0kV; (9)Input voltage (DC), VIN: -10 to +16V; (10)Current through input pin (DC), IIN: ±2.0mA; (11)Current through status pin (DC), IST: ±5.0mA; (12)Thermal resistance, junction - soldering point, each channel, Rthjs: 15K/W; (13)Thermal resistance, junction - ambien, one channel active, Rthja: 41K/W; (14)Thermal resistance, junction - ambien, all channels active, Rthja: 34K/W.
Features
BTS710L1 features: (1)Overload protection; (2)Current limitation; (3)Short-circuit protection; (4)Thermal shutdown; (5)Overvoltage protection(including load dump); (6)Reverse battery protection1); (7)Undervoltage and overvoltage shutdown; (8)with auto-restart and hysteresis; (9)Open drain diagnostic output; (10)Open load detection in ON-state; (11)CMOS compatible input; (12)Loss of ground and loss of Vbb protection; (13)Electrostatic discharge (ESD) protection.
Diagrams

| Image | Part No | Mfg | Description | ![]() |
Pricing (USD) |
Quantity | ||||||||||||
|---|---|---|---|---|---|---|---|---|---|---|---|---|---|---|---|---|---|---|
![]() |
![]() BTS710L1 |
![]() Other |
![]() |
![]() Data Sheet |
![]() Negotiable |
|
||||||||||||
| Image | Part No | Mfg | Description | ![]() |
Pricing (USD) |
Quantity | ||||||||||||
![]() |
![]() BTS707 |
![]() Infineon Technologies |
![]() Power Switch ICs - POE / LAN PROFET SMART 2 CH Hi Side Pwr SW |
![]() Data Sheet |
![]()
|
|
||||||||||||
![]() |
![]() BTS710L1 |
![]() Other |
![]() |
![]() Data Sheet |
![]() Negotiable |
|
||||||||||||
![]() |
![]() BTS711L1 |
![]() Infineon Technologies |
![]() Power Switch ICs - Power Distribution SMART 4-CH HI-SIDE PWR SWITCH |
![]() Data Sheet |
![]()
|
|
||||||||||||
![]() |
![]() BTS712N1 |
![]() Infineon Technologies |
![]() Power Switch ICs - POE / LAN SMART 4-CH HI-SIDE PWR SWITCH |
![]() Data Sheet |
![]()
|
|
||||||||||||
![]() |
![]() BTS716G |
![]() Infineon Technologies |
![]() Power Switch ICs - POE / LAN Smart High Side PROFET Quad |
![]() Data Sheet |
![]()
|
|
||||||||||||
![]() |
![]() BTS716GB |
![]() Infineon Technologies |
![]() Power Switch ICs - POE / LAN SMART HI SIDE PWR SWITCH INDUSTRY APP |
![]() Data Sheet |
![]()
|
|
||||||||||||
(China (Mainland))










