Product Summary
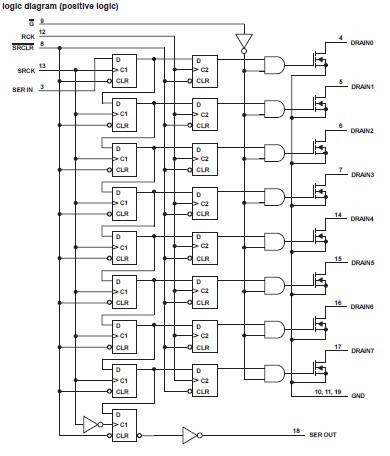
The TPIC6B596DWRG4 is a monolithic, high-voltage, medium-current power 8-bit shift register designed for use in systems that require relatively high load power. The TPIC6B596DWRG4 contains a built-in voltage clamp on the outputs for inductive transient protection. Power driver applications include relays, solenoids, and other mediumcurrent or high-voltage loads. Outputs are low-side, open-drain DMOS transistors with output ratings of 50 V and 150mA continuous sinkcurrent capability. Each output provides a 500mA typical current limit at TC = 25℃. The current limit decreases as the junction temperature increases for additional device protection. The TPIC6B596DWRG4 is characterized for operation over the operating case temperature range of -40℃ to 125℃.
Parametrics
TPIC6B596DWRG4 absolute maximum ratings: (1)Logic supply voltage, VCC: 7V; (2)Logic input voltage range, VI: -0.3V to 7V; (3)Power DMOS drain-to-source voltage, VDS: 50V; (4)Continuous source-to-drain diode anode current: 500mA; (5)Pulsed source-to-drain diode anode current: 1A; (6)Pulsed drain current, each output, all outputs on, ID, TC = 25℃: 500mA; (7)Continuous drain current, each output, all outputs on, ID, TC = 25℃: 150mA; (8)Peak drain current single output, IDM,TC = 25℃: 500mA; (9)Single-pulse avalanche energy, EAS: 30mJ; (10)Avalanche current, IAS: 500mA; (11)Continuous total dissipation: See Dissipation Rating Table; (12)Operating virtual junction temperature range, TJ: -40℃ to 150℃; (13)Operating case temperature range, TC: -40℃ to 125℃; (14)Storage temperature range: -65℃ to 150℃; (15)Lead temperature 1,6 mm (1/16 inch) from case for 10 seconds: 260℃.
Features
TPIC6B596DWRG4 features: (1)Low rDS(on): 5Ω; (2)Avalanche Energy: 30mJ; (3)Eight Power DMOS-Transistor Outputs of 150-mA Continuous Current; (4)500-mA Typical Current-Limiting Capability; (5)Output Clamp Voltage: 50V; (6)Enhanced Cascading for Multiple Stages; (7)All Registers Cleared With Single Input; (8)Low Power Consumption.
Diagrams

| Image | Part No | Mfg | Description | ![]() |
Pricing (USD) |
Quantity | ||||||||||||
|---|---|---|---|---|---|---|---|---|---|---|---|---|---|---|---|---|---|---|
![]() |
![]() TPIC6B596DWRG4 |
![]() Texas Instruments |
![]() Counter Shift Registers 8-BIT SHIFT REGISTER |
![]() Data Sheet |
![]()
|
|
||||||||||||
| Image | Part No | Mfg | Description | ![]() |
Pricing (USD) |
Quantity | ||||||||||||
![]() |
![]() TPIC0107B |
![]() Other |
![]() |
![]() Data Sheet |
![]() Negotiable |
|
||||||||||||
![]() |
![]() TPIC0107BDWP |
![]() |
![]() INTEL H-BRIDGE 180 MOHM 20-HSOIC |
![]() Data Sheet |
![]()
|
|
||||||||||||
![]() |
![]() TPIC0108B |
![]() Other |
![]() |
![]() Data Sheet |
![]() Negotiable |
|
||||||||||||
![]() |
![]() TPIC0108BDWP |
![]() |
![]() INTEL H-BRIDGE 180 MOHM 20-HSOP |
![]() Data Sheet |
![]() Negotiable |
|
||||||||||||
![]() |
![]() TPIC0108BDWPR |
![]() |
![]() INTEL H-BRIDGE 180 MOHM 20-HSOIC |
![]() Data Sheet |
![]() Negotiable |
|
||||||||||||
![]() |
![]() TPIC0298 |
![]() Other |
![]() |
![]() Data Sheet |
![]() Negotiable |
|
||||||||||||
(China (Mainland))










